|
产品描述 MS1192 是适用于 HBS 总线规范(日本电子工业协会)的适配器芯片,具备发送接收数据的功能。在发送接收单元中采用 AMI 编码方式,可使用双绞线进行互联,信号传输采用差分方式。 芯片采用单电源 5V 供电,并且内部集成了输出三极管以减少外围电路所需的器件数量。MS1192 一般主要用于电话及相关设备、安全装置、AV设备、空调设备等。 主要特点 脉冲变压器置换 高可靠性 可在 5V 单个电源下工作 低成本 外接零件少、设计简单 通讯速率可达 130Kbps 应用 电话及相关设备 空调设备 安全设备 AV 装置 MS1192完美兼容MM1192 MS1192 pin=pin MM1192 MS1192封装图 
管脚图 
管脚说明图 
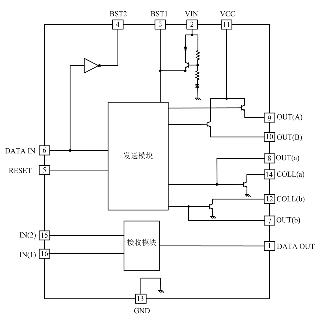
内部框图 
典型应用图 采用内部三极管 
采用外部三极管驱动 
极限参数 绝对最大额定值 芯片使用中,任何超过极限参数的应用方式会对器件造成永久的损坏,芯片长时间处于极限工作状态可能会影响器件的可靠性。极限参数只是由一系列极端测试得出,并不代表芯片可以正常工作在此极限条件下。 
|