高级会员

- 积分
- 641
- 金钱
- 641
- 注册时间
- 2018-6-19
- 在线时间
- 132 小时
|
Si512是工作频率为13.56MHz的高度集成收发器IC,主要用在工作频率为13.56MHz的无接触通信,通信距离为50mm。Si512支持多种不同的工作模式:ISO / IEC 14443A / MIFARE和FeliCa读/写器,ISO / IEC 14443B,读/写器,ISO / IEC 14443A / MIFARE和FeliCa卡模式和NFCIP-1模式。通信速率高达424 kbps,器件集成了CRC协处理器,内部有自检测试和同轴的I / O插件。
本文介绍了SI512主要特性和优势,面板图和多种读/写模式布局,典型应用电路以及PN51x演示板电路图,和天线间的放大和匹,PCB布局图与基于Si512的OM5597 / RD2612 POS参考设计布局。
Si512是高度集成的收发器IC,用于在13.56 MHz的非接触式通信。该收发器IC利用出色的调制和解调概念,完全集成了13.56 MHz的各种非接触式通信方法和协议。
Si512收发器IC支持4种不同的操作模式
•支持ISO / IEC 14443A / MIFARE和FeliCa方案的读取器/写入器模式
•支持ISO / IEC 14443B的读取器/写入器模式
•支持ISO / IEC 14443A / MIFARE和FeliCa方案的卡操作模式
•NFCIP-1
模式对于ISO / IEC 14443A / MIFARE在读取器/写入器模式下启用,Si512的内部发送器部分能够驱动设计用于与ISO / IEC 14443A / MIFARE卡和应答器通信的读取器/写入器天线,而无需其他有源电路。
接收器部分为来自ISO / IEC 14443A / MIFARE兼容卡和转发器的信号提供了解调和解码电路的强大而有效的实现。数字部分处理完整的ISO / IEC 14443A成帧和错误检测(奇偶校验和CRC)。
Si512支持MIFARE 1K或MIFARE 4K仿真产品。PN512支持使用MIFARE的非接触式通信,双向传输速度最高可达424 kbit / s。
Si512收发器IC在FeliCa的读取器/写入器模式下启用,支持FeliCa通信方案。接收器部分为FeliCa编码信号提供了强大的解调和解码电路。数字部分处理FeliCa成帧和CRC等错误检测。Si512支持使用FeliCa的非接触式通信。双向双向传输速度最高可达424 kbit / s。
Si512支持ISO / IEC 14443B读取器/写入器通信方案的所有层,只要正确实现附加组件(例如振荡器,电源,线圈等),并提供标准化协议(例如ISO / IEC 14443-4和/或正确实施了ISO / IEC 14443B防撞功能。
在卡操作模式下,PN512收发器IC能够根据FeliCa或ISO / IEC 14443A / MIFARE卡接口方案来响应读取器/写入器命令。Si512生成数字负载调制信号,并且除具有外部电路外,还可以将答案发送回读取器/写入器。只有结合使用S2C接口的安全IC,才能实现完整的卡功能。此外,Si512收发器IC还提供了以NFCIP-1模式直接与NFCIP-1设备通信的可能性。根据Ecma 340和ISO / IEC 18092 NFCIP-1标准,NFCIP-1模式提供了不同的通信模式,传输速度高达424 kbit / s。数字部分处理完整的NFCIP-1成帧和错误检测。
实现了各种主机控制器接口:
•8位并行接口1
•SPI接口
•串行UART(类似于RS232,其电压电平取决于焊盘电压)
•I2C接口。
Si5122主要特性和优势:
高度集成的模拟电路,用于解调和解码响应
缓冲输出驱动器,用于连接天线和最少数量的外部组件
集成的RF电平检测器
集成的数据模式检测器
支持ISO / IEC 14443 A / MIFARE
支持ISO / IEC 14443 B读/写模式读/写模式下的
典型工作距离最大为50毫米,具体取决于天线的尺寸和调谐。根据天线尺寸和调谐,在NFCIP-1模式下的典型工作距离可达50毫米,具体取决于天线的尺寸,调谐和电源。
ISO / IEC 14443A / MIFARE卡或FeliCa卡的典型工作距离约为100毫米,具体取决于天线尺寸和调谐以及外部场强,
在读/写器模式下支持MIFARE 1K或MIFARE 4K仿真加密
ISO / IEC 14443A更高在212千比特/秒和424千比特/ s的传输速度通信
,根据在212千比特/秒和424 kbit / s的FeliCa的方案非接触式通信
的集成RF接口NFCIP-1高达424千比特/秒
S2C接口
的其他电源直接提供通过S2C连接的智能卡IC?支持的主机接口
SPI高达10 Mbit / s
I2C总线接口,在快速模式下高达400 kBd,在高速模式下高达3400 kBd
RS232串行UART最高可达1228.8 kBd,其电压电平取决于引脚电压供应
8位并行接口,带和不带地址锁存使能
FIFO缓冲区,可处理64字节发送和接收
灵活的中断模式
具有低功耗功能的硬复位ACD模式过程不需要MCU干预
低至2.9uA自动寻卡电流(500ms)
每种软件的掉电模式
1.1 uA硬掉电电流
1.1 uA软掉电电流
可编程定时器
内部振荡器,用于连接27.12 MHz石英晶体
2.5 V至3.6 V电源
CRC协处理器
可编程I / O引脚
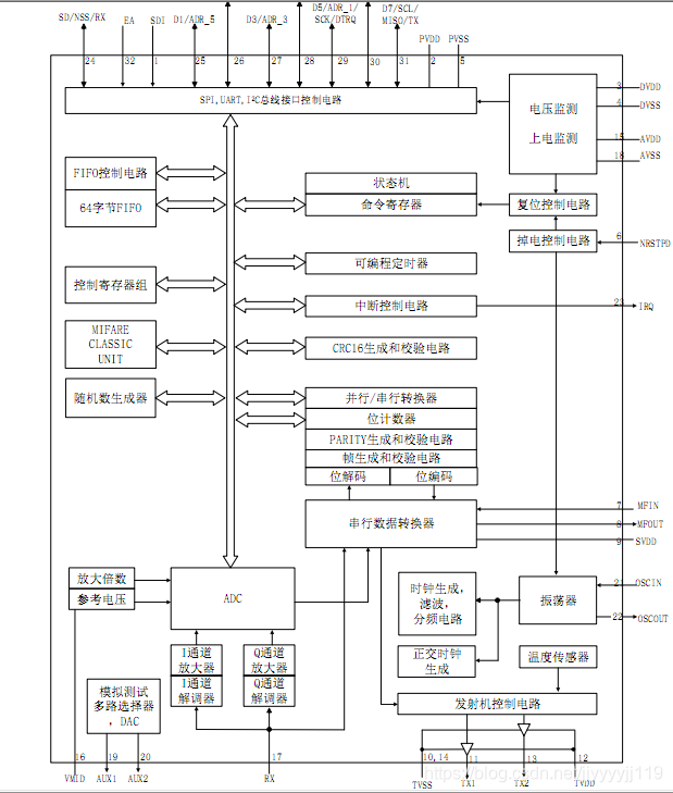
结构框图


功能描述:
1.读写器模式:支持ISO1443A/MIFARE和Felica
2.读写器模式:支持ISO1443B
3.卡模拟模式:支持ISO1443A/MIFARE和Felica
4.NFCIP-1模式
5.ACD模式

详细规格书联系私信我 马工 13823683914 qq 2355573217
|
|