OpenEdv-开源电子网

 找回密码
 立即注册
正点原子全套STM32/Linux/FPGA开发资料,上千讲STM32视频教程免费下载...
查看: 4996|回复: 0

stm32F1系列能否做到DMA从外设到外设

[复制链接]

1

主题

1

帖子

0

精华

新手入门

积分
13
金钱
13
注册时间
2018-3-31
在线时间
2 小时
发表于 2020-10-16 17:45:45 | 显示全部楼层 |阅读模式
1金钱
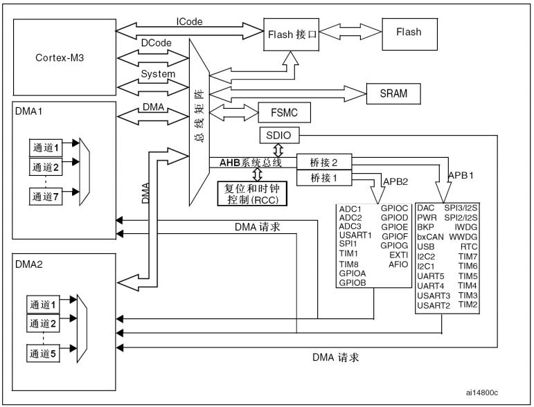
stm32f1xx的系统架构
stm32f4xx的系统架构


问题:在stm32f1中两路DMA可以访问AHB系统总线上的外接设备,在总线矩阵上,有一个设想,在摄像头实时传输显示的时候,能不能直接做到 摄像头->DMA->tft屏幕,将DMA的外设到内存、内存到外设合并成外设直接到外设,摄像头传回的像素信息直接对应到TFT屏幕上,这样是不是可以做到摄像头实时传输显示的帧数的提升,请知道的人解答一下疑惑,谢谢

回复

使用道具 举报

您需要登录后才可以回帖 登录 | 立即注册

本版积分规则



关闭

原子哥极力推荐上一条 /1 下一条

正点原子公众号

如发现本坛存在违规或侵权内容, 请点击这里发送邮件举报 (或致电020-38271790)。请提供侵权说明和联系方式。我们将及时审核依法处理,感谢配合。

QQ|手机版|OpenEdv-开源电子网 ( 粤ICP备12000418号-1 )

GMT+8, 2026-5-21 15:11

Powered by OpenEdv-开源电子网

© 2001-2030 OpenEdv-开源电子网

快速回复 返回顶部 返回列表