OpenEdv-开源电子网

 找回密码
 立即注册
正点原子全套STM32/Linux/FPGA开发资料,上千讲STM32视频教程免费下载...
查看: 3256|回复: 0

stm32和c语言介绍与学习:介绍与学习

[复制链接]

25

主题

25

帖子

0

精华

初级会员

Rank: 2

积分
110
金钱
110
注册时间
2020-6-16
在线时间
20 小时
发表于 2020-7-7 10:28:28 | 显示全部楼层 |阅读模式
一、了解STM32

从字面意思来看:



STM32.png

二、STM32与ARM的关系

ARM是英国的芯片设计公司,其最成功的莫过于32位嵌入式CPU核——ARM系列,最常用的是ARM7和ARM9。

ARM公司主要提供IP(Intellectual Property core知识产权的核心)核,就是CPU的内核结构,只包括最核心的部分,并不是完整的处理器。



STM32.png

三、STM32分类及命名

(一)STM32分类



STM32分类.png

(二)STM32命名规则



STM32命名规则.png

例如:



举例.png

四、STM32的使用

STM32能做的东西很多。

USART:ESP8266 WIFI模块、GSM模块、蓝牙模块、GPS模块、指纹识别模块等。

IIC:EEPROM、MPU6050陀螺仪、0.96寸OLED屏、电容屏等。

SPI:串行FLASH、以太网W5500、VS1003/1053音频模块、SPI接口的OLED屏、电阻屏等。

AD/DA:光敏传感器模块、烟雾传感器模块、可燃气体传感器模块、简易示波器等。

其他的一些接口。

五、STM32F103ZET6芯片



STM32F103ZET6.png

(一)内核

32位,高性能ARM Cortex-M3处理器。

时钟:高达72M,实际还可以超频一点。单周期乘法和硬件除法。

(二)IO口

STM32F103ZET6:144引脚,112个IO,大部分IO口都耐5V(拟通道除外),支持调试:SWD和JTAG,SWD只要2根数据线。

(三)存储器容量

512K FLASH,64K SRAM

(四)时钟,复位和电源管理

2.0~3.6V电源和IO电压

上电复位,掉电复位和可编程的电压监控

强大的时钟系统

4~16M的外部高速晶振

内部8MHz的高速RC振荡器

内部40KHz低速RC振荡器,看门狗时钟

内部锁相环(PLL,倍频),一般系统时钟都是外部或者内部高速时钟经过PLL倍频后得到

外部低速32.768K的晶振,主要做RTC时钟源

(五)低功耗

睡眠,停止和待机三种低功耗模式

可用电池为RTC和备份寄存器供电

(六)AD

3个12位AD(多达21个外部测量通道)

转换范围:0-3.6V(参考电源电压)

内部通道可以用于内部温度测量

内置参考电压

(七)DA

2个12位DA

(八)DMA

12个DMA通道(7通道DMA1,5通道DMA2),支持外设:

定时器,ADC,DAC,SDIO,I2S,SPI,I2C,和USART

(九)定时器

多达11个定时器

4个通用定时器

2个基本定时器

2个高级定时器

1个系统定时器

2个看门狗定时器

(十)通信接口

多达13个通信接口

2个I2C接口

5个串口

3个SPI接口

1个CAN2.0

1个USB FS

1个SDIO

六、学习使用的开发板



PZ6806L.png

七、STM32芯片架构



STM32F103.png

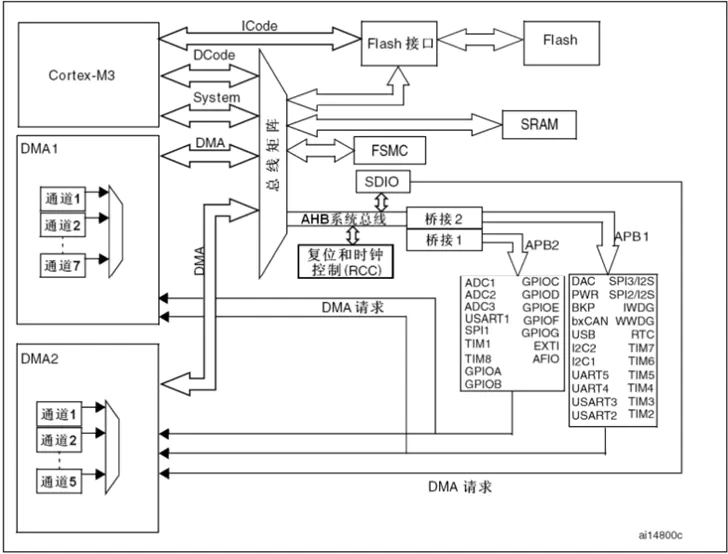
八、STM32芯片系统结构



STM32芯片系统结构.png

九、STM32学习

(一)基本外设

GPIO输入输出,外部中断,定时器,串口。

(二)基本外设接口

SPI、IIC、WDG、FSMC、ADC/DAC、SDIO等。

(三)高级功能

UCOS、FATFS、EMWIN等。

(四)C语言要加强

C 语言是嵌入式开发的基础中的基础。

入门及巩固C语言基础:谭浩强的《C程序设计 第四版》

C语言提高:《C与指针》、《C指针编程之道》等

单片机交流裙:112–6743–406

最后分享相关单片机学习资料
C语言编程基础
http://www.makeru.com.cn/live/1758_311.html?s=156461
提升C编程能力
http://www.makeru.com.cn/live/1392_1166.html?s=156461
(stm32 USART串口应用)
http://www.makeru.com.cn/live/1392_1164.html?s=156461
基于STM32讲解串口操作
http://www.makeru.com.cn/live/1758_490.html?s=156461

回复

使用道具 举报

您需要登录后才可以回帖 登录 | 立即注册

本版积分规则



关闭

原子哥极力推荐上一条 /1 下一条

正点原子公众号

如发现本坛存在违规或侵权内容, 请点击这里发送邮件举报 (或致电020-38271790)。请提供侵权说明和联系方式。我们将及时审核依法处理,感谢配合。

QQ|手机版|OpenEdv-开源电子网 ( 粤ICP备12000418号-1 )

GMT+8, 2026-5-20 14:49

Powered by OpenEdv-开源电子网

© 2001-2030 OpenEdv-开源电子网

快速回复 返回顶部 返回列表