|
近年来,中国心血管病患病率及死亡率仍处于上升阶段,而实时的便携式心电监测能够及时地发现异常心电信号,提醒人们提前就医,避免危险病情的发生,因此近年来心电监测市场十分火热。TI在心电监测领域耕耘多年,从心电采集ADC,低功耗的电源到无线传输,均有相应的解决方案。 一、心电导联数量与ADC选型之间的联系TI心电信号检测相关的ADC有很多,通道数也不尽相同,那究竟该选择哪一颗产品?这里总结了不同心电产品和TI ADC产品之间的关系,帮助大家理解并快速完成选型。
01单导联心电ADS1291/ADS1292R(1). 用途 单导联心电图是由一对心电电极所采集到的单路心电信号,应用在产品中常见的是胸前导联和双手导联,胸前导联适用于长时间的心电监测,最长一般有14天的连续记录,双手导联一般适用于短时实时的心电测量,体积小巧,方便随身携带,一般属于家用心电记录仪。单导联的心电图能初步筛查心脏早搏、房颤及各种心律不齐的心电表现。 (2). 电极分布及导联示意 Lead I: I = LA – RA,LA是left-arm电极, RA是right-arm电极。 
图1单导心电图连接
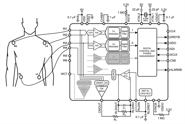
ADS1292R:单导联+呼吸检测,通道1被用来做呼吸检测。至少需要2个电极,右腿驱动的输出电极可以与LA或RA共用。 

图2 ADS1291, ADS1292R内部架构及外部连接方式
01三导联、五导联心电ADS1292,ADS1293,ADS1295
(1). 用途 三导联或五导联心电一般用来做24小时的心电信号记录。这个24小时的数据是诊断心脏问题的常用工具。 (2). 电极分布及导联示意
导联名称: Lead I: I = LA - RA Lead II: II = LL – RA 通过Lead I和Lead II可以求出以下导联: Lead III: III = LL - LA aVR = -(I + II)/2 = RA - (LA + LL)/2 aVL = I - II/2 = LA - (RA + LL)/2 aVF = II - I/2 = LL - (RA + LA)/2 WCT(Wilson Central Terminal) = (RA + LA + LL)/3,五导联中,一般会加一个胸部导联,Lead V1威尔逊中心节点会作为胸部导联的参考电压。胸部导联Lead V1 = V1 – WCT。 
图3三导联心电图连接
ADS1292做三导联:
至少3个电极,右腿驱动的输出电极可以与LA,RA或LL共用。大部分的设计中,3导联就是三个电极。测量两个导联Lead I和Lead II,还可以算出另外4个导联。所以,ADS1292的五导联是需要用软件计算得出来的。
ADS1293做三导联:同ADS1292。 
图4 ADS1293 三导联心电连接图
ADS1293做五导联:
实际上5个电极可以获得6个导联的信号,有一个电极还是右腿驱动。一般来讲5导联需要加一个胸导。 
图5 ADS1295 五导联心电连接图
03十二导联以上心电ADS1294, ADS1296, ADS1298
在一些应用中,需要获得更多的导联信息以获得更全面的心脏活动信息。例如,十八导联心电能够同步观察左心室各壁,右心室等全部心室的心电情况。一般可以使用2片ADS1298。 针对于其它导联数量的需求,有时还需要呼吸检测(需要使用尾缀带R的版本),ADS1294,ADS1296,ADS1294R,ADS1296R一般用在大于十二导联上,组合起来一起使用,一般来讲增加的导联数量都是胸导。
二. ADS129X系列的外围器件推荐1.电源 对于这个系列的产品而言,ADC需要两个电源供电,一个是模拟部分的供电,一个是数字部分的供电。因为模拟部分和数字部分都是一个范围供电,对于不同的客户而言,会结合电极的输出信号范围,选择单极性电源或双极性电源以及电源的幅值。 单极性电源: 模拟供电:2.7V-5.25V,数字供电:1.65V-3.6V 5V转3.3V,推荐TPS7A20,静态电流极低仅有6.5uA,同时用法非常简单。 
图6 TPS7A20应用示例
在两节干电池的便携式ECG中,还会需要一个升压芯片TLV61220至3.3V给数字部分供电,然后再用TPS7A20降压至3.0V作为模拟供电。 TLV61220:静态电流只有5.5uA,在典型工作条件下效率高达95%,能够满足便携式ECG长时间使用的需求。 

图7 TLV61220应用实例及效率曲线
双极性电源供电: 一般来讲,+-2.5V会从3.3V往下转,这里推荐一个电荷泵TPS60403,先把3.3V转成-3.3V,然后TPS72301从-3.3V转成-1.8V。 

图8 TPS60403和TPS723应用实例
2.蓝牙芯片 目前,在便携式ECG中,数据除了需要存储在SD卡中以外,也需要能够通过蓝牙把数据传输至手机端。 3.充电管理芯片 目前从市场的应用上看,主要以干电池或纽扣电池为主,使用锂电池供电的方式并不多。主要的原因是,当前便携式ECG的主要应用场景还是在医院监测病人的心脏状况,所以对设备使用的及时性就显得更加重要,对锂电池的充电显然没有干电池或者纽扣电池换电更迅速。 这里我们推荐一颗新产品:适用于可穿戴设备和物联网的低IQ高度集成电池充电管理解决方案BQ25125,它的主要优势在于,集成了一颗降压芯片buck和一颗LDO,可以满足ADS119X和ADS129X系列的电源轨需求,同时,超低的静态电流也能保证产品的续航时间。 
图9 BQ25125典型应用框图
4.电压参考 当采用3V电源时,VREF = (VREFP – VREFN) =2.5V,当采用5V电源VREF = (VREFP – VREFN)= 4.096V。 这里我们推荐REF5025和REF5040即可,目前根据市场上的使用情况来看,ADC内部的参考就可以满足使用的需求。 文中ADS1291,ADS1292R,ADS1292,ADS1293,ADS1298,ADS1296,ADS1294,ADS1296R,ADS1294R,BQ25125,REF5025,REF5040等型号产品,均可在华秋商城采购。华秋商城作为本土“元器件电商”的“探索者”之一,致力为全球电子产业创造价值,向客户提供围绕“品牌选型+现货采购+海外代购+BOM配单”的全流程服务。通过与全球3000多家原厂品牌及代理商搭建战略合作伙伴关系,华秋商城可直接获得原厂货源,并可为用户提供从方案设计到各类元件采购的一站式解决方案,包括BOM配单一键采购、PCBA加工。 
|